鑫泉通直供热线:186-6977-3808

热门关键词: 板式换热器 可拆式板式换热器 全焊接板式换热器 换热机组 列管换热器

您的位置: 首页 > 新闻资讯 > 公司动态

咨询热线

186-6977-3808

换热机组工作原理知识详解 告诉你换热机组是如何运作的

点击数:13902022-01-17 10:57:26 来源: 青岛鑫泉通

新闻摘要:由于换热机组具有整体布局合理、结构紧凑、设计匹配性强、检修方便等等优点,故目前在我国长江以南也普遍,对设计院人员来讲设计也简单。

说起换热器相信大家一点都不陌生,那么你们都了解换热机组工作原理吗?今天就让鑫泉通给大家详解一下关于换热机组工作原理基本知识,感兴趣的朋友进来文章了解一下吧。

换热机组是由换热器、温控阀组、疏水阀组(热媒为蒸汽时)循环泵、电控柜、底座、管路、阀门、仪表等组成,并可加装膨胀罐、水处理设备、水泵变频控制、温控阀、远程通讯控制等,从而构成一个完整的热交换站。换热机组具有标准化、模块化的设计,配置齐全,安装方便、高效节能。换热机组结构紧凑、运行可靠、操作简便直观等优点,是首选的高效节能产品。该产品适应于住宅、机关、厂矿、医院、宾馆、学校等场合的卫生热水。


由于换热机组具有整体布局合理、结构紧凑、设计匹配性强、检修方便等等优点,故目前在我国长江以南也普遍,对设计院人员来讲设计也简单,只需提供要求参数,性能指标厂家即可完场全部设计、施工安装,整体交付用户使用。

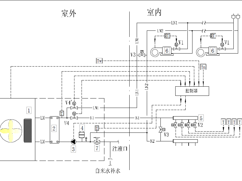
换热机组工作原理

1.工作流程:机组由一次侧、二次侧及补水系统组成。一次侧指热量或冷量的提供侧,二次侧指热量或冷量的接收侧。一侧次通过板式换热器将热量或冷量传递给二次侧,二次侧没有循环泵,通过循环水将热量或冷量传递给用户。

2.控制原理:机组采用自动控制系统对机组进行自动及远程监控,达到势力站无人值守自动运行。机组控制由具有测控功能的控制器、电控柜、传感器、执行机构及通讯系统组成。控制器通过与其相连的传感器和执行机构完成对换热器和其它现场设备的数据采集和控制功能;传感器和执行机构应包括温度传感器或温度变送器、室外温度传感器、压力变送器、差压变送器、流量计、热量表、液位变送器、电动调节阀、变频器和电磁阀等。

3.监控参数:室外温度:一、二次侧的供、回水温度;一、二次侧的供、回水压力;一次侧热量、二次侧供水流量;补水流量、补水水箱水位;循环水泵和补水泵的启停及运行状态等。

4.执行机构:一次侧的电动调节阀、二次侧循环水泵变频器、补水泵变频器和电磁阀等。

5.温度控制:机组由带室外气候补偿的二次侧供、回水温度或二次侧的供、回水平均温度控制一次侧电动调节阀;其它机组由二次侧供水温度控制一次侧电动调节阀。用于采用的机组可直接手动设定二次侧的供水温度、回水温度或供回水平均温度来控制一次侧的电动调节阀;可直接手动设定值班采暖的运行模式;可根据一次侧的加水温度来輣调节一次侧的电动调节阀。

6.压力控制:按二次侧定的压力或供、回水压差,来控制二次侧循环水泵的运行频率;或直接设定二次侧循环水泵的运行频率;按设定的补水压力,来控制补水泵的运行频率;二次侧设有电磁阀,当系统超过设定压力时电磁阀自动开启泄水。

7.通讯系统:机组控制器可在主动和被动方式下用标准的通信协议与监控中心进行数据通信。同时控制器具有显示操作功能,可对参数、报警设置等进行现场修改或设定。

通过上面由鑫泉通所讲解的换热机组工作原理基本知识后,相信各位朋友对于换热机组工作原理知识有了初步的认识和了解,希望这些内容对你们有所帮助。

在线客服